Anatomía y política de una caja negra
Técnica de desaceleración y de ingeniería reversa. Desarmar algo y llevarlo a su expresión mínima para entenderlo
Empezar por una pregunta simple.
Cuando surjan disputas, no habrá necesidad de debatir más; simplemente digamos: calculemos.
Gottfried Wilhelm Leibniz (1646 - 1716)
La máquina analítica no tiene pretensiones de originar nada. Puede hacer lo que sepamos ordenarle que
ejecute… pero puede seguir análisis, y hacerlo para cantidades más allá del número.
Ada Lovelace, 1843
Computar es recorrer un laberinto que tiene una única solución.
Programar es diseñar un laberinto que muta de tal manera que ciertas entradas corresponden con
salidas específicas.
computar
Acá me voy a tomar un tiempo para explicar lo más fundamental de la computación.
OR
Conexión en paralelo
Cierra el circuito cuando cualquiera de sus
entradas es verdadera
A
B
Resultado
F
F
F
F
V
V
V
F
V
V
V
V
AND
Conexión en serie
Cierra el circuito cuando ambas entradas son
verdaderas
A
B
Resultado
F
F
F
F
V
F
V
F
F
V
V
V
NOT
Invierte la señal
Cierra el circuito cuando su entrada es falsa
Ejemplo sacado de este libro.
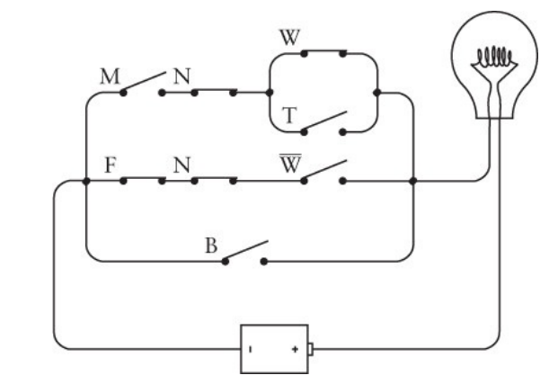
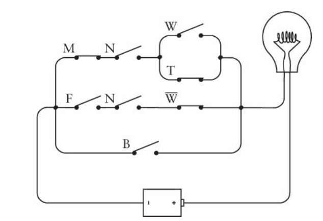
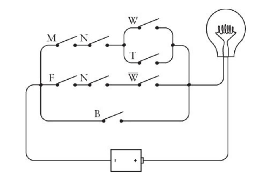
Imaginen que trabajan en un refugio de animales y tienen clientes con requisitos muy especificos. Entonces deciden construir una máquina que los ayude a acelerar el proceso de seleccón.
Viene un cliente con el siguiente pedido:
"Quiero un gato macho, castrado, blanco o beige;
o una gata hembra, castrada, de cualquier color excepto blanco;
o aceptaré cualquier gato que tengas siempre que sea negro."
Variable
Significado
M
Macho (Male)
F
Hembra (Female)
N
Castrado (neutered)
W
Blanco (white)
T
Naranja (tan)
B
Negro (black)
M AND N AND (W OR T )
OR F AND N AND !W
OR B
(M AND N AND (W OR T ))
OR (F AND N AND !W )
OR B
(M AND N AND (W OR T ))
OR (F AND N AND !W )
OR B
Gato macho naranja sin castrar
Gata hembra blanca castrada
Gata hembra gris castrada
finalmente podriamos armar un panel donde esos interruptores y la salida estén todos juntos y rotulados.
esta es la interfaz de la máquina, abstrae información compleja en instrucciones más claras
una computadora, un cpu, no está compuesto de mucho más que esto.
Nos falta una sola pieza que permita reemplazar los interruptores que requieren que un humano los acciones. Necesitamos una una pieza que pueda abrir o cerrar el paso de electricidad al recibir otra corriente.
lo haga cuando recibe corriente.
Prototipo Model K de George Stibitz, 1937
Prototipo para demostrar el uso de relés electromecánicos para realizar cálculos binarios.
Es una calculadora de 2 bits.
Los relés no son más que interruptores que funcionan con un iman electromagnetico. Cuando pasa corriente por la bobina, el iman atrae una palanca que cierra el circuito.
si se paran cerca de un semaforo se escuchan
La K viene "kitchen table", donde la ensambló
https://www.computerhistory.org/timeline/1937/#169ebbe2ad45559efbc6eb35720eb5ea
Problemas de velocidad de los relés
Válvulas de tubo
cálculos para la bomba de hidrógeno
17,000 vacuum tubes
Eniac, 1945
cálculos para la bomba de hidrógeno
17,000 vacuum tubes
Eniac, 1945
cálculos para la bomba de hidrógeno
17,000 vacuum tubes
Eniac, 1945
cálculos para la bomba de hidrógeno
17,000 vacuum tubes
qué notaron de estas imagenes? trabajadoras mujeres, igual que en el montaje de cine. Considerado inicialmente una tarea "femenina" por ser repetitiva.
Problema de las valvulas: se quemaban constantemente. Tenían una vida útil de 1,000 horas y habia que reemplazarlas constantemente. Maquina generaba muchisimo calor.
Primer transistor. Bell Labs, 1947
Se usa un material que se llama semiconductor, que conduce electricidad en ciertas condiciones y en otras no.
Esto es un interruptor (Source y Drain) que se abre o cierra dependiendo de la corriente que recibe en la Gate.
Cuando el gate recibe corriente produce una reaccion quimica que transforma el material, que es aislante en un conductor. Se cierra el circuito.
En definitiva no es más que un interruptor.
Y cuántos de estos hacen falta para construir una computadora?
90.000.000.000 𐀷
En este momento están sentados sobre esta cantidad de transistores.
90 mil millones
Entonces abre la pregunta lógica, cómo meten tantos transistores en tan poco espacio?
VIDEO
El primer paso es conseguir arena. mucha.
Específicamente arena rica en cuarzo. Luego se somete a una reacción química de altísima temperatura para purificarla y convertirla en silicio. 98% puro.
Pero este silicio todavía no es lo suficientemente puro entonces se lo convierte en gas triclorosilano y se vuelve a solidificar para que alcance el 99.9% de pureza.
Ahora se derrite el silicio ultrapuro en un crisol de cuarzo y se introduce una pequeña semilla de cristal de silicio que se va girando y sacando lentamente para formar un cilindro perfecto de silicio monocristalino.
Lingote de silicio puro
Este es decorativo, uno real costaria aprox 100 mil dólares.
wafers/oblea de silicio
Despues se cortan en estas rodajas usando hilos de diamantes.
Hasta acá solamente tenemos unos discos de semiconductor puro. falta agregarles las puertas lógicas y transistores
fotomáscara/stencil
Para hacer el cpu lo mas pequeño posible no es que se agregan los transistores sino que se le proyecta una imagen que ordena a la materia que se convierta en un transistor.
Your browser does not support the video tag.
El proceso de fotolitografía utiliza luz ultravioleta para transferir patrones a la oblea de silicio usando un estencil, como si fuera un graffiti.
Y con eso vuelvo a esa definición inicial, la fotolitografía dibuja un laberinto en un material que puede ser un camino o un muro dependiendo de si tiene o no electricidad.
Computar sin electricidad
Si todo lo que necesitamos para computar son puertas que podamos controlar con el flujo mismo del sistema, podemos pensar en computadoras que funcionen sin electricidad, utilizando distinto tipos de laberintos
VIDEO
En este video de ejemplo es una suma binaria de 7+15. (saltar a 13:35)
Si los medios son extensiones de los sentidos, también lo son de la tierra
Jussi Parikka "una geologia de los medios"
Retoma la frase de McLuhan "los medios son extensiones de los sentidos" y agrega esta frase
Siguiendo esto, podemos decir que "la materia es el mensaje"
Baotou, Mongolia Interior, China
Kate Crawford en Atlas de la Inteligencia Artificial:
En la ciudad mas grande la Mongolia interior, China existe un lago artificial relleno de barro tóxico negro.
Apesta a azufre y se extiende hasta donde alcanza la vista.
Fue creado por el vertido de las minas cercanas que se estima contienen casi el 75% de las reservas minerales de tierras raras mas grande del planeta.
VIDEO
Baotou, Mongolia Interior, China
Dice Tim Maughan: "China suminstra el 95% de los minerales de tierras raras del mundo. Su dominio en el mundo
le debe menos a la geología que a la disposición de ese país de asumir el daño ambiental de la extracción."
El primer día que salió a la venta agotó el stock mundia de 1 millón de unidades que tenían.
Problema en la cadena de producción. Alta demanda de todos los minerales que necesitaban. Y en ese momento uno de los más escasos era este
Cobalto
En el año 2000 el valor del cobalto saltó de $30 a $380 por libra.
El problema era que la mayoría del cobalto provenía de la República Democrática del Congo, donde las condiciones de trabajo eran de servidumbre.
La escalada en la demanda de Cobalto profundizó la guerra civil y la pelea entre facciones por el control de las minas.
Descontroló completamente un país que ya estaba en una situación complicada.
VIDEO
'The Enclave' Richard Mosse (2013)
Infrarrojo usado por ejercito eeuu en los 40s para detectar camuflaje.
Refleja la clorofila, las plantas verdes.
congo 5M muertos. Hcae visible lo invisible
Palaquium gutta
Este arbol Palaquium Gutta tuvo un rol clave en la expansión colonial inglesa.
El Reino Unido tenía un problema de control sobre un territorio demasiado extenso y las noticias y ordenes tardaban demasiado
en ir y venir en barco. Tenían una extensa red de tendido de telégrafo pero era susceptible a sabotaje o que un rayo parta una columna.
Entonces tuvieron la gran idea de poner todo el tendido de cable por abajo del mar. Obviamente tenían un problema de insulación y ahí entra
el latex de guttapercha.
1842 (malasia)
100 millones de árboles tuvieron que ser talador para el trazado del cable. Para 1900 casi desapareció del mapa. Asi quedó virtualmente extinto.
Y dejó una herencia de infraestructura sobre el trazado de cables de internet. El trazado de cables de internet sigue la lógica de trazado colonial.
Es una red para el control.
De hecho esta lógica de control y dominación está inscrita en el lenguaje mismo de la computación.
Este es un mapa de la primera red de computadoras conectadas.
El protocolo TCP/IP fue desarrollado por el departamento de defensa de EEUU para tener una red de comunicación que no dependiera de un nodo central.
En caso de guerra nuclear, la red podía seguir funcionando.
A diferencia de la red centralizada del telégrafo, que dependía de un solo punto de fallo, ARPANET era una red distribuida y por la tanto más resistente.
Sobre esta idea de la post descentralización habla Galloway en Protocol.
TCP/IP HTTP DNS
Estos son algunos de los protocolos fundantes de internet.
Segun Galloway, estos protocolos no son neutrales, sino que están imbuidos de relaciones de poder.
Así como el trazado de cables fue una forma de control colonial, los protocolos digitales son formas actuales de control, pero más invisibles.
↑
DNS
↓
← TCP/IP →
No toda descentralización es igual: algunos sistemas distribuyen el flujo (TCP/IP), otros centralizan el poder de decisión (DNS).
TCP/IP Es un protocolo de red que permite que los datos se muevan de igual a igual entre computadoras conectadas.
DNS tiene una estructura jerárquica, con nodos centrales de autoridad: .com, .org, .edu, etc., dependen de servidores raíz controlados por entidades como ICANN.
Aunque las redes estén distribuidas, el control no desaparece. Los protocolos que gobiernan el flujo de datos, deciden cómo circulan y quién tiene acceso.
RÉGIMEN DE INFORMACIÓN
Byung Chul Han habla de un regimen moderno de control. Y en el centro de ese regimen estan los datos.
Vigilancia y castigo → Motivación y optimización
Walter Benjamin decía: Los primeros planos o la cámara lenta harían visibles los micromovimientos y las microacciones que escapan al ojo humano. Sacarían a la luz un espacio inconsciente: “Solo aprendemos sobre el inconsciente óptico a través la cámara, como aprendemos sobre el inconsciente instintivo a través del psicoanálisis. La cámara permite acceder a una forma especial del inconsciente. Lo llamo “Inconsciente óptico”.
Byung dice: Hoy el big data y la IA son esa lupa que descubren el inconsciente digital. La acumulación y la superposición de datos ponen al régimen de información en condiciones de influir en nuestro comportamiento por debajo del umbral de la consciencia.
Y a qué se refieren con esto?
que el regimen de información ya está en nuestro inconsciente ?
y que puede influir en nuestro comportamiento por debajo del umbral de la consciencia.
OCEAN
openness
conscientiousness
extraversion
agreeableness
neuroticism
OCEAN por sus siglas es un modelo psicográfico que a partir de un input de interacciones de un usuario puede generar un modelo predictivo de personalidad
viene de una larga serie de investigaciones en psicología desde los años 30
apertura Disfrutas nuevas experiencias
escrupulosidad Prefiere plan y orden
extraversión Le gusta pasar tiempo con otres
simpatía Pone las necesidades de otres sobrelas propias
neuroticismo Tiende a preocuparse mucho
Entonces las interacciones digitales (likes, fueguitos, comentarios, engagement, etc) toda huella digital se usa para generar estos mapas que describen la psicología de cada individuo. Distintas empresas seguro usan variaciones de este modelo o lo alimentan con más información.
por ahora estan excluidos los aprecio
Aventurera. Abierta un poco neurótica ama la variedad
Publicidad que dice la libertad debe estar protegida de amenazas externas
protector. Agradable extrovertido piensa en los demas
Las armas son esenciales para cuidar a los demás
Concienzuda y abierta es una líder natural
Publicidad sobre Como proteger a su familiar y su futuro.
Tambien lo pueden pensar al revés, si ustedes tienen que vender publicidad sobre armas,
van a invertir más en alguien identificado como protector.
Acá entra Cambridge Analytica que utilizó este modelo para segmentar audiencias y crear perfiles psicológicos detallados de toda la población.
Primero lo hicieron para la primera elección de Trump y acá también operaron en la campaña de Bolsonaro y la de Macri en 2015.
El mecanismo usa estos perfiles para acercar lentamente a los que están en duda y de polarizar a los que estén más alineados con sus intereses.
Byung : Los medios electrónicos son medios de masas en el sentido de que producen un hombre-masa: El hombre masa es el habitante electrónico del globo terráqueo y al mismo tiempo esta conectado con todos los demás hombres, como si fuera un espectador en un estadio deportivo global. El hombre masa no tiene identidad. Es nadie. Los medios digitales ponen fin a la era del hombre masa. El habitante del mundo digitalizado ya no es ese nadie. Mas bien, es alguien con un perfil. Mientras que en la era de las masas solo los delincuentes tenían un perfil, el régimen de la información se apodera de los individuos mediante la elaboración de perfiles de comportamiento.
Agrego yo: Y estos perfiles nos ocupamos de llenarlos nosotros
La crisis de la verdad se extiende cuando la sociedad se desintegra en agrupaciones o tribus entre las cuales ya no es posible ningún entendimiento, ninguna designación vinculante de las cosas.
En la crisis de la verdad se pierde el mundo común, incluso el lenguaje común.
Byung Chul Han
Kabba (cubo) de la meca. (Preguntar que lo describan en su morfología).
Byung lo usa como metafora: "Un denso manto negro lo oculta a la vista. Solo los sacerdotes tienen acceso al interior. Lo arcano, que deniega toda visibilidad, es constitutivo del dominio teopolítico."
(siguiente imagen. Que describan como es el apple)
"Kaaba de la meca, con su manto negro, y el edificio de Apple ilustran dos fundamentos opuestos de la dominación: lo arcano y lo transparente. El cubo de cristal de Apple puede sugerir libertad y comunicación sin límites, pero en realidad materializa la dominación despiadada de la información."
La transparencia es el imperativo sistémico del régimen de la información: todo debe presentarse como información.
Transparencia e información son sinónimos. La sociedad de la información es la sociedad de la transparencia. El imperativo de la transparencia permite que la información circule con libertad. No son las personas las realmente libres, sino la información. La paradoja de la sociedad de la información es que las personas están atrapadas en la información. Ellas mismas se colocan los grilletes al comunicar y producir información. La prisión digital es transparente.
10 Skies - James Benning
Hablamos de infraestructura y protocolos de control y ahora sumamos esta noción de que la transparencia surge como un valor.
Creo el mayor ejemplo de esta mirada surge en la nube. (preguntar que es la nube)
centro de datos de facebook en construccion en Louisiana (Hyperion)
Hanne Darboven - Cultural History 1880–198
Cultural history
Historia cultural propia.
1.589 obras enmarcadas individualmente en papel 50 x 70 y 19 elementos escultóricos ocupan 650 m2. La obra mezcla referencias culturales, sociales e históricas con documentos autobiográficos, postales, pin-ups de estrellas de cine y rock, referencias documentales, guerras, diagramas geométricos para tejidos y un sampleo de puertas de Nueva York.
Reminiscencias a Aby Warburg pero para contar una historia propia a través del recorte y el montaje
Ella usaba números como "una forma de escribir sin describir”. Darboven comenzó a crear dibujos basados en la suma de los dígitos que forman una fecha (día + mes + año). Como un diario intimo, su trabajo documenta su vida, pero su uso de procedimientos matemáticos asegura que su historia personal se mantenga privada.
Foco en el caracter especulativo del arte.
como lo veo, no existirían hoy los data center (o no tendrian esta forma) sin Darboven.
ia
Intentemos hacer el mismo proceso de desaceleración sobre la inteligencia artificial
Machine learning, o aprendizaje automático es
aprender una función, o serie de pasos que mapea
datos de un dominio a otro
Para construir una red de aprendizaje automático lo primero que se necesitan son datos. Muchos. Este es un registro de cuántas horas durmió mi gata por día y qué temperatura hizo ese día.
Ahora miren como empieza a emergen un patrón en estos datos.
Regresion Lineal
Dibujé una línea por dónde habían más puntitos. Si la sigo puedo aproximar cuánto va a dormir cuando hayan 0 grados, aunque eso nunca haya pasado. Esa línea se llama regresión lineal.
Entonces podemos pensar en estas cajas negras como grandes contenedores de datos. Que dado una variable inicial pueden HACER UNA PREDICCIÓN.
A continuacion una distincion de dos formas de generar estas cajas.
Entrenamiento Supervisado
El objetivo es aproximar una función de mapeo tan cerca, que cuando tenemos nuevas variables de entrada, pueda predecir una de salida.
Parecido al primer ejemplo que di. Se da un problema y tambien su solucion. Entonces cuando tenga un nuevo problema sea va a acercar a la manera de resolver anterior. Cuantos más ejemplos tenga, mejor va a ser la solución. El problema es que esos datos de entradas van a ser su sesgo
Entrenamiento No Supervisado
Cuando se meten todos los datos, pero sin relación de entrada y salida.
El algoritmo aprende qué patrones y características se repiten y las usa para agrupar los datos. En este ejemplo metí un montón de gatitos. La salida es una agrupación según características que aprendió solo.
El resultado de la función aprendida es una red neuronal entrenada. Las variables de entrada se conectan con nodos llamados neuronas. Cada conexión puede o no activarse, como una sinápsis.
Las redes neuronales son una caja negra. Una vez entrenada, no hay forma real de saber cómo funciona internamente, simplemente se ingresan valores y ésta devuelve resultados.
Este ejemplo también vuelve a la idea del laberinto. Acá la luz atraviesa un laberinto óptico donde el resultado es la predicción del número.
La idea de estos ejemplos no es generar ansiedad o desesperanza sobre la tecnologia sino corrernos de la inocencia e
intentar profundizar en el funcionamiento real de estos dispositivos (dejar la inocencia de hablar de "mi algoritmo", o "la nube")
y recorrer la huella histórica,
su infraestructura y la política que traen para poder trabajar con ellas.